Описание и особенности OBD 2
Система для диагностики автомобиля ОБД 2 по стандарту включает в себя структуру кода Х1234.
Каждый символ здесь имеет собственное значение:
- Х — элемент является единственным буквенным и позволяет узнать тип неисправности авто. Некорректно работать могут силовой агрегат, трансмиссия, датчики, контроллеры, электронные модули и т. д.
- 1 — общий код класса OBD. В зависимости от авто, он иногда является дополнительным кодом производителя.
- 2 — с помощью символа автовладелец сможет уточнить место неполадки. К примеру, это могут быть система зажигания, питания АКБ (аккумуляторной батареи), дополнительные электролинии и т. д.
- 3 и 4 — определяют порядковый номер неисправности.
Основная особенность колодки состоит в наличии выхода питания от электросети автомобиля, благодаря чему допускается применение сканеров, не имеющих встроенных электролиний. Изначально диагностические протоколы использовались для получения данных о появлении неполадок в работе систем. Колодки в современных авто позволяют потребителям получать больше информации об ошибках. Это обеспечивается благодаря наличию связи диагностических сканеров и приспособлений с электронными модулями в машине.
В зависимости от производителя адаптера устройство может относиться, например, к таким международным классам:
Подробно о назначении диагностических колодок и их использовании рассказал канал «Мир Матизов».
разьемы диагностические грузовиков распиновка обозначения

Интерфейс диагностики
распиновка (назначение контактов – пинов), местоположение в автомобиле, обозначения диагностических разъемов грузовых автомобилей RENO, IVECO, SCANIA, DAF, MERCEDES, MAN, VOLVO
MERCEDES-BENZ диагностические разъемы ACTROS, ATEGO, AXOR
MAN TGA колодка диагностическая распиновка
MAN диагностический разъем моделей E/F/L/M 2000, F/M/U 90
VOLVO диагностические розетки,обозначение контактов в разъеме.
Renault Распиновка контактов диагностического разъема
Ниже описаны диагностические коннекторы на автомобили ДАФ, СКАНИЯ и ИВЕКО.
DAF диагностическая колодка (нового и старого образца)
DAF EDS 7 диагностическая колодка CAN шина-распиновка
DAF диагностическая колодка распиновка старого образца
местоположение диагностического разъема
Scania (СКАНИЯ) диагностический разъем на R114.R124.R113
1- плюс 24 вольта (+)
2- минус (масса)
8- К линия диагностики
10- Л линия диагностики
Это — Диагностический разъем для подключения компьютера и использования программ Scania Diagnos и Scania Programmer
16-ти контактный круглый разъем. Типичное расположение: в салоне, в блоке предохранителей и реле
как правило, на моделях до 2004 г. (до серии 4 включительно), но встречается и на более свежих моделях (прежде всего, в вариантах для развивающихся стран)
Diagnosis with multipins
JDC 100.2 + JTP 100-3
КОННЕКТОР JDC 204.2
ДИАГНОСТИРУЮЩИЕ СИСТЕМЫ АВТОМОБИЛЯ
BRAKES
SUSPENSION
ENGINE CONTROL
COORDINATOR
RETARDER
Все блоки управления, которые могут контролироваться через диагностическую систему MAN-cats, соединены через К-провод с диагностической розеткой Х200 контакт… .Через К-провод диагностическая система возбуждает определенный блок управления. Данный блок управления отвечает и переносит сохраненные в регистраторе неисправностей сбои через К-провод в цифровом формате.
Ивеко Стралис диагностический разъем
Stralis Active Space, Srtalis Active Time и Stralis Active Day
К CAN Hight и CAN Low линии можно подключиться использую витую пару идущую к 30-ти контактному диагностическому разъему Iveco старого типа. CAN Hight – PIN 21 (2.6 V) – белый провод имеющий разветвление, CAN Low – PIN 22 (2.3V) – зеленый провод имеющий характерное белому проводу разветвление на два провода.
Iveco STRALIS электрическая схема диагностического интерфейса
Данные приходящие от бортового компьютера по CAN шине отображаемые в программе:
PGN 65257 – датчик расхода топлива, PGN 65266 – расход топлива, PGN 65253 – общее значение моточасов, PGN 61443 – позиция педали газа, PGN 61444 – обороты двигателя и др.
Как расшифровать коды ошибок
p, blockquote 43,0,0,0,0 —>
Большинство кодов ошибок OBD унифицировано, то есть определенному коду ошибки соответствует одна и та же расшифровка.
p, blockquote 44,0,0,0,0 —>
Общая структура кода ошибки имеет вид:
p, blockquote 45,0,0,0,0 —>

p, blockquote 46,0,0,0,0 —>
В некоторых автомобилях запись ошибки имеет специфический вид. Надежнее скачать коды ошибок в интернете. Но делать это для всех ошибок в большинстве случаев будет лишним. Можно воспользоваться специальными программами типа AUTODATA 4.45 либо аналогичными. В них помимо расшифровки указываются возможные причины, правда, лаконично, и на английском языке.
p, blockquote 47,0,0,0,0 —>
Проще, надежнее и информативнее ввести в поисковике, например, «ошибка P1504 Opel Verctra 1998 1,9 Б», то есть указать сокращенно все сведения об авто и код ошибки. Результатом поиска будут отрывочные сведения на различных форумах, других сайтах. Не следует сразу слепо следовать всем рекомендациям. Но, подобно мнению зала на известной программе, многие из них будут правдоподобными. К тому же, вы можете получить видео- и графическую информацию, иногда крайне полезную.
p, blockquote 48,0,0,0,0 —> adsp-pro-4 —>
Диагностика через OBD 2
Процедура проверки производится так:
- В зависимости от автомобиля, процесс диагностики может осуществляться при отключенном или включенном зажигании. Данный момент надо уточнить в сервисном руководстве. Перед началом процедура зажигания в машине отключается или включается.
- Запускается программа на компьютере для проверки.
- Выполняется подключение диагностического оборудования к разъему. Если это сканер, то колодку с проводом от него нужно вставить в штекер. При использовании ПК один конец адаптера устанавливается в USB-выход компьютера, а другой соединяется с разъемом.
- Нужно дождаться, пока программа не определит колодку после синхронизации. Если это не происходит, следует зайти вручную в меню управления и выбрать опцию поиска новых устройств.
- Запускается процедура диагностики на компьютере. В зависимости от программного обеспечения, у пользователя может быть возможность выбора нужного инструмента проверки. Некоторые программы поддерживают раздельную диагностику двигателя, трансмиссионного агрегата, электросети и других узлов.
- После завершения процедуры проверки на экране ПК появятся коды неисправностей. Эти ошибки надо расшифровать, чтобы точно определить тип поломки. В соответствии с полученными данными производится ремонт транспортного средства.
Что представляет собой разъем
Внешне деталь напоминает порт, имеющий несколько десятков небольших отверстий. К нему подключается специальный провод, другой конец которого подсоединяется к компьютеру.
Обращают внимание не только на саму розетку, но и на кабель. Он должен быть совместим с автомобилем марки УАЗ
Средняя цена изделия — 4 тыс. руб.
Диагностические порты различаются строением, поэтому шнур подбирают с учетом модели и года выпуска транспортного средства. Владелец должен следить за состоянием розетки. Порт, имеющий механические повреждения и признаки загрязнения, не позволит подключиться к ноутбуку.
Распиновка OBD 2
Схема подключения контактных элементов к диагностической колодке:
- Резервный контакт. В зависимости от производителя, на него может выводить любой сигнал. Он назначается разработчиком авто.
- Пин К. Используется для отправки разных параметров на блок управления. Во многих авто обозначается как шина J1850.
- Резервный контакт, который назначается производителем автомобиля.
- «Масса» диагностической колодки, подключенная к кузову транспортного средства.
- «Масса» сигнала диагностического адаптера.
- Контактный элемент для обеспечения прямого подключения цифрового CAN-интерфейса J2284.
- Контакт для подключения канала К в соответствии с международным стандартом ISO 9141-2.
- Резервный контактный элемент, назначается производителем автомобиля.
- Запасной контакт.
- Пин, необходимый для соединения с шиной класса J1850.
- Назначение данного контакта определяется производителем машины.
- Назначается разработчиком авто.
- Резервный пин, назначает производитель.
- Дополнительный контактный элемент для подключения цифрового CAN-интерфейса J2284.
- Пин для канала L, предназначенный для соединения в соответствии со стандартом ISO 9141-2.
- Плюсовой контакт для подключения напряжения электросети автомобиля, рассчитанный на 12 вольт.
В качестве примера заводской распиновки колодки можно использовать автомобиль Хендай Соната. В этих моделях первый контакт разъема предназначен для получения сигналов от управляющего модуля антиблокировочной системы. Пин под номером 13 используется для считывания импульсов от ЭБУ (электронного блока управления), а также контроллеров подушек безопасности.
Типы распиновок могут быть разными в зависимости от класса протокола:
- Если в автомобиле применяется стандарт ISO9141-2, то активация данного протокола производится посредством использования контакта 7. Пины под вторым и десятым номером не задействованы и являются неактивными. Для отправки информации используются контактные элементы 4, 5, 7 и 16. В зависимости от авто, для этой задачи может быть применен контакт 15.
- Если в автомобиле реализован протокол SAE J1850 типа VPW, то в разъеме задействованы второй, четвертый, пятый и шестнадцатый контакты. Такими колодками обычно оснащаются транспортные средства от General Motors европейского и американского производства.
- Возможно использование протокола J1850 в режиме PWM. Такое применение предусматривает дополнительное задействование десятого пина. Подобный тип разъемов устанавливается на автомобили Форд. Независимо от вида выхода, седьмой контакт не используется.
Канал «MotorState» подробно рассказал о распиновке OBD 2 диагностических разъемов для авто.
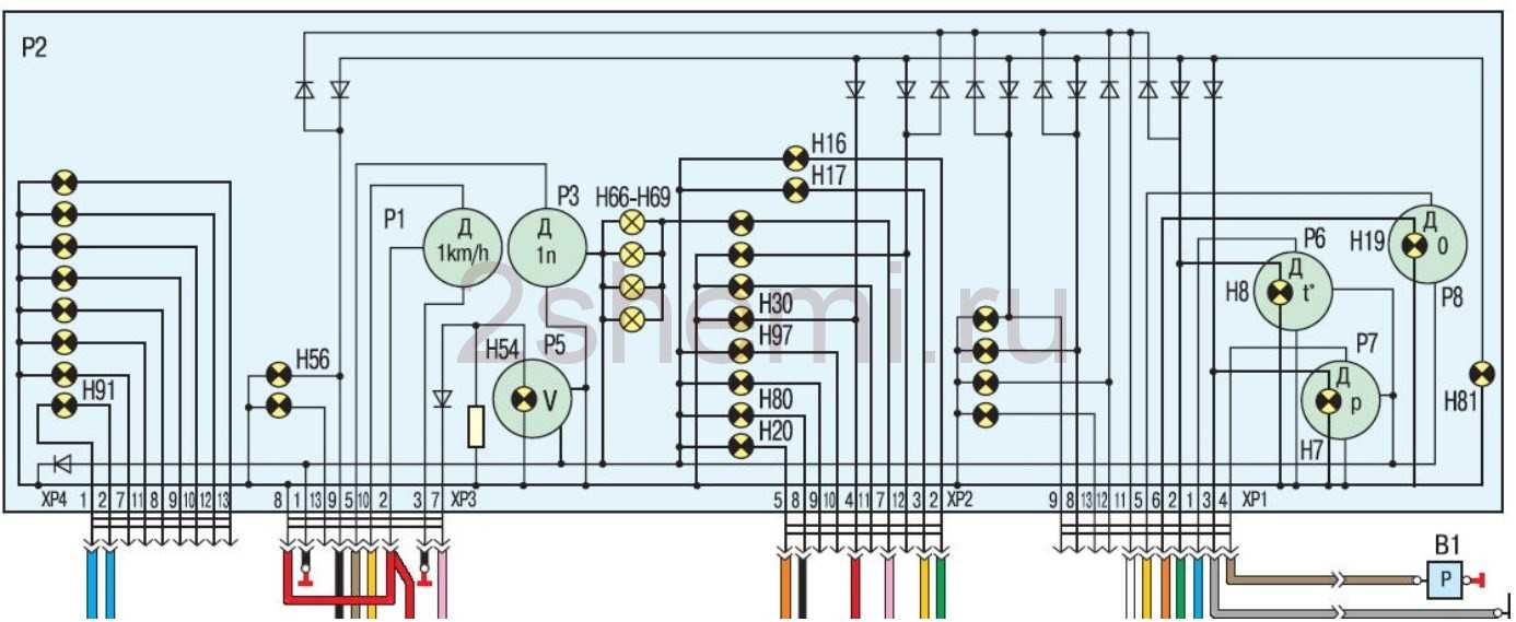
Схема и контакты комбинации приборов Газель

Разъём ХР1
1 Датчик температуры охлождающей жидкости
2 Выбор аварийной температуры охлождающей жидклсти
3 Аварийное низкое давления масла двигателя
4 Датчик давления масла
5 Датчик уровня топлива
6 ———-
7 ———-
8 Открытые двери автобуса
9 ———-
10 Открытые двери салона,капота или багажника
11 ———
12 ———
13 Неисправность электронного регулятора тормозных сил (EBD)
Разъём ХР2
1 Аккумулятор
2 Включения ламп сигнализатора поворота правого борта
3 Включения ламп сигнализатора поворота левого борта
4 Включения стояночного тормоза
5 Влючения дальнего света
6 Включения передних противотуманных фар
7 Подсветка КП
8 Включения габаритных огней
9 Включения задних противотуманных фар
10 ———
11 Включения блокировки межосевого диффиренциала
12 Включения пониженной передачи
13 Тип датчика давления масла
Разъём ХР3
1 Корпус для аналоговых сигналов
2 Зажигание
3 Корпус
4 Высоковольтный вход тахометра
5 Низковольтный вход тахометра
6 Включения ближнего света фар
7 Разряд аккумуляторной батареи
8 Зажигания
9 Низкий уровень тормозной жидкости
10 Датчик скорости
11 Выход спидометра к бортовому компютеру
12 Включения обогрева звднего стекла
13 Неисправность антиблокировочной системы тормозов(ABS)
Разъём ХР4
1 Сигнализатор диагностики(-)
2 Сигнализатор диагностики(+) и включения предпускового подогреваа двигателя(+)
3 Износ тормозных накладок
4 Включения предпускового подогрева двигателя(-)
5 ————-
6 ————-
7 ————-
8 ————-
9 —————
10 ————-
11 Низкий уровень стеклоомывающей жидкости
12 Низкий уровень охлождающей жидкости
13 Низкий уровень масла в двигателе



Разводка контактов комбинаций приборов семейства 38.3801 в различных вариантах исполнений приведена в таблице:
| Назначение вывода | 38.3801 | 382.3801 | 385.3801010 |
| Контрольная лампа воздушной заслонки карбюратора | X1.1 | X1.1 | X1.1 |
| Указатель температуры охлаждающей жидкости | X1.2 | X1.2 | X1.2 |
| Контрольная лампа перегрева охлаждающей жидкости (-) | X1.3 | X1.3 | X1.3 |
| Контрольная лампа низкого давления масла | X1.4 | X1.4 | X1.4 |
| Указатель давления масла | X1.5 | X1.5 | X1.5 |
| Указатель уровня топлива | X1.6 | X1.6 | X1.6 |
| Контрольная лампа резерва топлива (-) | X1.7 | X1.7 | ― |
| Контрольная лампа непристегнутых ремней безопасности | X1.8 |
X1.8* |
― |
| Тест (-) | X1.9 |
X1.9 |
― |
| Контрольная лампа незакрытых дверей (-) | X1.12 |
― |
X1.10* |
| Контрольная лампа перегрева масла | X1.11 | X1.11* |
― |
| Цепь 30 (постоянное питание) |
― |
― | X2.2 |
| Объединенный выход контрольной лампы STOP | X2.2 | ― |
― |
| Контрольная лампа правого указатель поворота | X2.3 | X2.3 | X2.3 |
| Контрольная лампа левого указатель поворота | X2.4 | X2.4 | X2.4 |
| Контрольная лампа стояночного тормоза | X2.5 | X2.5 | X2.5 |
| Контрольная лампа включения дальнего света фар (+) | X2.6 | X2.6 | X2.6 |
| Контрольная лампа включения противотуманных фар (+) |
― |
― |
X2.7* |
| Контрольная лампа указателей поворота прицепа (+) |
X2.12 |
X2.7* |
― |
| Индикация пониженной передачи (-) |
― |
― |
X2.8* |
| Индикация блокировки межосевого дифференциала (-) | X2.9 | X2.9* | X2.9* |
| Контрольная лампа обогрева сидений (+) | X2.10 |
X2.10 |
― |
| Контрольная лампа включения задних противотуманных фонарей (+) |
― |
X2.11* |
X2.11* |
| Контрольная лампа включения габаритного освещения (+) | X2.7 | X2.12 | X2.12 |
| Цепь освещения приборов | X2.13 | X2.13 | X2.13 |
| Контрольная лампа перегрева каталитического нейтрализатора | X2.8 | ― | ― |
| Контрольная лампа подушек безопасности (+) | X2.11 | ― | ― |
| Контрольная лампа STOP | X3.6 | ― | ― |
| Контрольная лампа ABS (-) | X3.1 | X3.1 |
X3.1, инверс |
| Масса (-) | X3.2 | X3.2 | X3.2 |
| Питание (+) спидометра | X3.3 | X3.3 | X3.3 |
| Масса (-) спидометра | X3.4 | X3.4 | X3.4 |
| Тахометр (высоковольтный вход) | ― | X3.5 | X3.5* |
| Тахометр (низковольтный вход) (-) | ― | X3.6 | X3.6 |
| Тахометр (вход от генератора) | X3.7 | ― | ― |
| Контрольная лампа ближнего всета фар (+) |
― |
― |
X3.7* |
| Контрольная лампа обогрева заднего стекла (+) | X3.8 | X2.1* | X3.8 |
| Выход спидометра к борткомпьютеру | X3.9 | X3.9 | X3.9 |
| Вход спидометра | X3.10 | X3.10 | X3.10 |
| Контрольная лампа уровня тормозной жидкости (-) | X3.11 | X3.11 | X3.11 |
| Питание (+) контрольных ламп и приборов | X3.12 | X3.12 | X3.12 |
| Контрольная лампа разряда аккумулятора | X3.13 | X3.13 | X3.13 |
| Контрольная лампа уровня масла | X4.1 | X4.1* | X4.1* |
| Контрольная лампа CHECK ENGINE (+) | X4.2 | X4.2 | X4.2 |
| Общий вывод контрольных ламп CHECK ENGINE и подогрева свечей накаливания (-) | X4.3 | X4.3 | X4.3 |
| Контрольная лампа износа тормозных колодок (-) | ― | ― | X4.4* |
| Контрольная лампа свечей накаливания (+) | ― | ― | X4.5 |
| Контрольная лампа уровня охлаждающей жидкости (-) | X4.8 | X4.8* | X4.8* |
| Контрольная лампа уровня омывающей жидкости (-) | X4.9 | X4.9* | X4.9* |
| Контрольная лампа уровня жидкости гидроусилителя руля (-) | X4.10 | X4.10* | X4.10* |
| Контрольная лампа наличия воды в топливном фильтре (+) | ― | ― | X4.11* |
| Контрольная лампа перегоревших ламп (-) | X4.11 | X4.11* |
― |
Разъем диагностики газель бизнес
Многие задаются вопросом диагностики, когда у них загорается лампа «выкинь двигатель», владельцы БК знают о простой ошибке, те у кого БК покруче, могут узнать больше информации. Но максимально развёрнутую картину о работе датчиков и исполнительных механизмов может дать только нормальная диагностика (адаптер + ПК + ПО).
Глава I. Как же выбрать адаптер?
Вопрос в следующем. Волга Ваш единственный автомобиль? Есть ли еще машины? Планируется ли еще диагностика других авто? Насколько серьезно хотите подойти к диагностике машины (прошивка ЭБУ, проверка датчиков, а также механизмов и их тестирование отдельно от машины)? Верный и честный ответ сэкономит Ваши деньги и нервы. На рынке масса различных устройств. От простого куска текстолита, куда нужно воткнуть провода в диагностический разъём, до чемоданчиков с кучей проводов (а точнее — разъёмов для прямого подключения к датчикам и масса переходников под экзотические разъёмы). Чемоданчики и полный набор кабелей рассматривать не будем. Те, кто хотят их купить, и так прекрасно знают всё и без меня. На нашем рынке есть два неплохих комплекса от ООО «Мотор-Мастер» и Сканматика. Первый все же более хорош аппаратно, второй лучше в плане ПО. Тем, кому нужна просто диагностика, такой вариант не подойдет, дороговато за то, что нужно не всегда. Я решил описать бюджетный вариант. Остановимся на KKL 409.1 он же VAG-COM 409, он же KKL-USB. Почему? Адаптер распространенный, с ним работает много ПО, да и цена порядка 500 рублей на различных интернет ресурсах очень неплохая. В магазинах его конечно толкают и по 1 500, но Вы можете найти по объявлению в своем городе перекупов, которые их закупают и перепродают, пускай они и наварят 100-200 рублей, но Вы сможете его проверить на месте. Вот так он выглядит:
Глава II. Делаем разъем ГАЗ 12 pin.
Конечно можно и напрямую воткнуть 4 провода куда нужно и все будет прекрасно работать. Но время и опыт показывают, рано или поздно перепутаете какой-то провод. Да и контролировать эти штырьки от выпадения — очень неудобно. Потому сделаем аккуратно и красиво. Покупаем в магазинах, где продают БК, или же сами адаптеры — разъем OBD2 (мама female). И разъем ГАЗ 12 pin. Как было видно, на вилке адаптера все контакты пронумерованы. Распиновка же его такова:
На этом «железная» часть закончилась. Во второй части я уже опишу ПО и его работу с адаптером на примере ЭБУ Микас 7.1, ЗМЗ 406. Просто бросать все в одну запись не имеет смысла, ибо по объему материал получился слишком большим.
Если адаптер у Вас уже есть и Вас интересует именно его подключение и работа с ПО, то прошу во вторую часть — Диагностика своими руками. Часть II — ПО для диагностики и работа с ним.
Так же Вы можете ознакомиться с распиновкой диагностических разъемов
диагностический разъем KIA
В настоящее время подавляющее число иномарок, а так же автомобилей отечественного производства имеют OBD2 диагностический разъем. Через данный разъем Вы можете подключать диагностическое оборудование для диагностики Вашего автомобиля, а так же подключать бортовые компьютеры и прочие устройства, работающие через диагностическую колодку. Иногда у пользователей возникает вопрос по распиновке диагностических колодок тех или иных марок автомобилей. Для Вашего удобства мы предлагаем готовые переходники для работы с различными диагностическими колодками автомобилей. Однако если Вы забыли приобрести переходник для Вашего автомобиля либо Вам понадобилось в экстренных условиях его изготовить, либо подключить адаптер напрямую, то в данной статье Вы найдете информацию о распиновке колодок стандарта OBD 2, а так же автомобилей Российского и импортного производства.
Приборы для диагностики системы управления двигателем Cummins ISF2.8 на ГАЗель NEXT, диагностический адаптер Cummins INLINE 6, мини-сканеры, считыватели кодов неисправностей.
Сегодня положение изменилось. Практически на всех автомобилях есть диагностический разъем стандарта OBD-II/EOBD. К такому разъему можно подсоединить не только профессиональные диагностические приборы, но и простейшие устройства для считывания кодов неисправностей (DTC).
Основные коды неисправностей определены стандартом SAE и практически одинаковы для автомобилей всех марок. Однако диагностические разъемы американского стандарта OBD-II и европейского EOBD хотя и одинаковы по форме, различаются назначением некоторых выводов.
Большинство имеющихся в продаже диагностических приборов позволяют считывать коды с любого разъема. Однако при покупке прибора необходимо уточнить, что он совместим с дизельным двигателем Cummins ISF2.8 на автомобиле ГАЗель NEXT (стандарт OBD-II).
Для диагностики электронной системы управления двигателем Cummins ISF2.8 на автомобиле ГАЗель NEXT рекомендуется пользоваться диагностическим адаптером INLINE 5 или INLINE 6 фирмы Cummins. Он поставляется с набором соединительных проводов. А также персональным компьютером с установленной программой INLINE версии 7.3 и выше.
Минимальные требования к компьютеру:
— Процессор Intel Pentium 4 — не менее 2 ГГЦ. — Оперативная память не менее 1 Гб. — Жесткий диск не менее 40 Гб. — Свободное место на жестком диске не менее 6 Гб. — Дисплей SVGA (1024×768 pixel) color. — Установлена операционная система Windows XP. — Установлено программное обеспечение INLINE версии 7.3 и выше. — Порты ввода/вывода для порта USB 2.0, СОМ-порт (RS-232 serial). — Дисковод DVD для установки программного обеспечения. — Клавиатура, мышь.
При диагностике дизельного двигателя Cummins ISF2.8 на автомобиле ГАЗель NEXT необходимо пользоваться руководством по эксплуатации диагностического оборудования INLINE. А также руководством пользователя программы INLINE.
Диагностические устройства мини-сканеры, считыватели кодов неисправностей.
Наиболее просты в использовании диагностические устройства мини-сканеры. Или считыватели кодов неисправностей. Они имеют отдельный корпус с дисплеем. На нем после подключения прибора к диагностическому разъему могут выводиться коды неисправностей и другая информация о работе двигателя.
Как правило, эти приборы позволяют также стереть код ошибки из памяти электронного блока управления двигателем Cummins ISF2.8 после устранения неисправности. Для упрощения работы в памяти некоторых моделей мини-сканеров есть описание всех диагностических кодов OBD-II/EOBD.
Диагностические адаптеры.
Второй популярной группой устройств для диагностики электронного блока управления двигателем Cummins ISF2.8 на автомобиле ГАЗель NEXT являются адаптеры различных типов. Адаптеры позволяют соединить диагностический разъем автомобиля с персональным компьютером, планшетным компьютером или смартфоном.
При этом на компьютер или смартфон устанавливается программное обеспечение прилагаемое к адаптеру. Кроме того, различные программы для работы с тем или иным адаптером можно найти в свободном доступе в Интернете. Как правило, возможности диагностических программ для установки на компьютеры и другие мобильные устройства значительно превосходят возможности мини-сканеров.
Часто они позволяют не только определять различные параметры работы двигателя и анализировать сигналы датчиков, но и вмешиваться в настройки электронного блока двигателем Cummins ISF2.8. Однако использование таких функций требует специальных знаний.
Неподготовленному автомобилисту лучше ограничиться считыванием и стиранием кодов неисправностей. В настоящее время на смену проводным адаптерам приходят беспроводные работающие по Bluetooth-протоколу. Такой адаптер позволяет считывать параметры даже при движении автомобиля.
Обычно бортовой компьютер устанавливают на ветровое стекла или панель приборов. Шлейф проводов компьютера пропускают под панелью приборов. Колодку шлейфа подключают к диагностическому разъему. Помимо параметров работы двигателя, на дисплей бортового компьютера можно выводить информацию о поездке. Например продолжительность, средний и текущий расход топлива и другие параметры.
Зачем нужна диагностика?
Необходимость диагностики, в первую очередь, определяется при появлении неисправностей в работе тех или иных систем. К примеру, поломки, которые могут произойти в моторах с электронной системой управления, во многом отличаются от неисправностей в карбюраторных двигателях. Соответственно, и поиск поломки будет происходить иначе. Как известно, управление функциональностью всех узлов и систем мотора осуществляется благодаря ЭБУ — блоку управления, который собирает данные от разных контроллеров, использующихся в двигателе.
Эта информация позволяет сформировать управляющие сигналы для антиблокировочной и топливной системы, а также зажигания и прочих блоков. Управляющее устройство также предназначено для формирования импульса о появившихся неисправностях в работе систем обслуживания силового агрегата. Благодаря умению считывания этих данных, а также их расшифровке, автовладелец сможет своими силами определить поломку и устранить ее (автор видео — канал РИО г).
Поэтому не нужно пугаться, если на приборной панели появится индикатор неисправности в моторе. Если эта лампочка стала гореть при запущенном двигателе, вам нужно просто произвести диагностику при помощи компьютера или любого другого девайса. Это позволит точно определить неисправность и устранить ее, причем в кратчайшие сроки. Причем даже если у вас нет компьютера, можно осуществить самодиагностику системы.
Итак, для чего нужно диагностировать систему:
- Если на щитке приборов появились индикаторы неработоспособности двигателя. Появившаяся лампочка может свидетельствовать о многих неисправностях, но тщательная проверка позволит точно определить поломку, которая произошла в работе.
- Если вы покупаете подержанное авто. С помощью диагностики вы сможете заранее узнать, с какими неисправностями предстоит столкнуться в ближайшем времени и, соответственно, сбросить цену на покупку машины.
- Если вы заметили, что одна из систем, механизмов или агрегатов стали неправильно работать. Например, начал троить двигатель, а видимых симптомов этой проблемы нет. Не факт, что нужно будет ремонтировать агрегат — вполне возможно, что из строя вышел какой-то датчик, и заменив его, вы сможете решить проблему. Проверка позволит более точно указать на неисправность.
- Для профилактики. Периодическая диагностика состояния узлов позволит своевременно определить неработоспособность того или иного механизма. Таким образом, вы сможете снизить возможные затраты на ремонт автомобиля в будущем. Оптимальным вариантом является проведение профилактической диагностики хотя бы раз в год (автор видео — Максим Тихонов).
Распиновка obd2 разъема — схема диагностического разъема
Распиновка obd2 разъема — все автомобили выпущенные в последние годы, оборудованы всевозможными электронными приборами. Одним из важных устройств считается система для выполнения диагностики установленного в автомобиле оборудования. Конструкция этого устройства включает в себя коннектор OBD2, который был сконструирован в девяностых годах. Основное его предназначение — возможность подключения сканера, который считывает показания и помогает автомеханику выявить причины неисправности, если они имеются. В настоящее время данного рода устройства широко распространены на рынке и диагностику можно осуществить не посещая СТО. К примеру можем отнести сканер корейского производства Scan Tool Pro Black Edition.
Как правило, розетка коннектора obd2 устанавливается в автомобиле около рулевой колонки, (расстояние составляет примерно 180 мм). Параметрические характеристики коннектора позволяют создать обмен информационными данными, используя при этом промышленную цифровую CAN-шину.

Именно с помощью протокола CAN можно осуществлять подключение различных управляющих устройств,всевозможных датчиков и механизмов. Причем можно одновременно принимать и передавать данные в цифровом формате с большой скоростью, также есть функция защиты от помех.
Конструкция соединителя
Функциональные возможности и распиновка obd2 разъема выполнена по двух компонентной схеме без симметрии и включат в себя шестнадцать ножевидных контактов. Располагаются эти контакты в колодке параллельно друг другу с направляющим ключом. Их нумерация в колодке выполняется с левой стороны направо, при этом верхняя линия контактов обозначена цифрами с 1-8, а другой ряд с 9-16. Конструкция разъема выполнена из прочного пластика, а сами контакты разделяет специальная продольная пластина.
Для осуществления правильной полярности при подключении разъема «папы» к розетке «мамы», предусмотрена конструкция в виде трапеции с несколько закругленными углами. Функции контактов в разъеме имеют две группы назначения. Одна из которых выполнена по стандартной схеме, а другую группу изготовитель вправе использовать по своему усмотрению, для выполнения определенных задач.

Распайка obd2 разъема с определением функции каждого контакта показана в таблице ниже:
| 1 | Фирменный |
| 2 | Шина J1850 |
| 3 | Фирменный |
| 4 | Заземление общее |
| 5 | Сигнальная земля |
| 6 | Шина CAN |
| 7 | Линия K по ISO 9141-2 |
| 8 | Фирменный |
| 9 | Фирменный |
| 10 | Шина J1850 |
| 11 | Фирменный |
| 12 | Фирменный |
| 13 | Фирменный |
| 14 | Шина CAN |
| 15 | Линия L по ISO 9141-2 |
| 16 | +12 В |
Отличительная черта в конструкции разъема obd2 заключается в том, что он имеет гнездо подключения бортовой сети. А это дает возможность задействовать сканеры не прибегая к использования дополнительной цепи силового питания. Со времен появления первых разъемов obd2, которые были способны только отображать информацию о существующей неполадке, многое изменилось. На сегодняшний день усовершенствованные коннекторы имеют возможность извлекать максимум информации о неполадках. Происходит это благодаря связи приборов диагностики с электронными модулями в авто.
Как самому изготовить соединительный кабель
Иногда возникает потребность в изготовлении соединительного провода, это может случится когда потребуется подключить к автомобильному компьютеру устройство для диагностики. Поэтому, как нельзя лучше, здесь помогут значения указанные в таблице.








































