Замена проводки на автомобиле Газель
Причины, вызывающие необходимость замены электрической проводки по схеме в автомобилях Газель, заключаются не только в связи с переборкой силового агрегата, но и:
- Вследствие естественного износа проводов;
- Расслоения изоляции из-за естественного старения;
- Механических повреждений (перегибы, задиры);
- Коротких замыканий в той или иной электроцепи;
- Окисления контактов и разъемов.
Дополнительные материалы для замены
Помимо покупки новой электропроводки, соответствующие используемому мотору, также подлежат замене:
- Высоковольтные провода;
- Электронный коммутатор (в поздних версиях моторов серии ЗМЗ-402);
- Катушка зажигания;
- Реле уровня заряда АКБ;
- Контактная группа блока предохранителей;
- Замок зажигания.
Места, требующие монтажных работ
Укладка жгута проводов не является сложным делом, тем более, что места их закрепления на раме предусмотрены изначально (желоба, технологические отверстия и т.п.).
Салон Газели с разобранной приборной панелью
Однако, по сложности, работы по замене подразделяются на зоны ответственности:
- Подкапотное пространство;
- Салон автомобиля;
- Задняя часть кузова.
Наиболее простой в плане подключения является задняя часть автомобиля, где требуется лишь закрепить жгут и подключить задние фонари и датчик уровня топлива в бензобаке. Более сложными являются салон и подкапотное пространство.
Преимущества
- Назначение. ГАЗель Бизнес предназначен для перевозки 8-ми или 13-ти пассажиров, идеально подходит не только для корпоративных пассажироперевозок, но и для семьи. Категория B или D (в зависимости от типа привода).
- Функциональность. ГАЗель Бизнес – удобный и компактный автомобиль с отличными характеристиками и малой стоимостью. Модель адаптирована под тяжелые российские условия, что является дополнительным преимуществом. В основу базовой версии легло рамное шасси повышенной прочности. Благодаря удобным и мягким высоким креслам, которые оборудованы подголовниками и подлокотниками, пассажиры могут отдохнуть во время длительной поездки. Сидения располагаются по ходу движения.
- Безопасность. Полукапотная компоновка. Хорошая обзорность. Высокий уровень активной и пассивной безопасности. Все сидения оборудованы ремнями безопасности.
- Надежность. Надежность, подтвержденная временем, комплектующие от ведущих мировых производителей, строгий контроль качества, а также реальная статистика с дорог позволяют нам с уверенностью давать полноценную гарантию 3 года или 80 000 км пробега.
- Выгода. Межсервисный интервал 15 тыс. км. Низкая стоимость владения. Модификации шасси Автомобиль доступен с 3-мя типами двигателя, доступна модификация с полным приводом (4х4).
Общие сведения

Схема электропроводки в автомобиле ГАЗ с двигателем карбюратор или инжектор состоит из множества компонентов.
- Система зажигания. Этот узел состоит из разных компонентов, основными являются распределительное устройство, свечи, а также высоковольтные провода, передающие заряд. От работоспособности этой системы зависит функциональность двигателя и его работа в принципе.
- Оптическая система. В нее входят все внешние фары, начиная от габаритов и заканчивая стоп-сигналами и противотуманками.
- Освещение в салоне авто, в том числе на приборной панели.
- Электронная система управления двигателем (в зависимости от модели авто).
- Система стеклоочистки, включающая в себя электродвигатель и щетки стеклоочистителя.
- Топливная система, одним из основных компонентов которой является насос.
- Аккумуляторная батарея и генераторный узел.
- Аудиосистема, если имеется, и т.д.
Передняя и задняя подвески
Каждая подвеска состоит из рессор, гидравлических амортизаторов и моста. Основные способы крепления: гайки и стремянки, которые могут сдвигаться и ослабляться при определенных обстоятельствах. Руководство по ремонту и обслуживанию предусматривает регулярное затягивание этих деталей. В противном случае мост ослабевает, и вследствие этого ломается центральный болт, скрепляющий рессоры.

Задняя рессора Газели Последние придется полностью менять. Замену рессор нужно производить, согласно следующей инструкции: вначале ослабить гайки и стремянки, затем отсоединить амортизаторы с нижних концов. С целью разгрузки рессор необходимо поднять переднюю или заднюю часть машины, в зависимости от места поломки. Гайки, стремянки нужно аккуратно отвернуть, если отвертывание затрудняется, лучше применить специальную медную выколотку. Последний этап: автомобиль поднимают на достаточную высоту, чтобы рессора вышла из кронштейна передним краем, а задний вышел из серьги. Обратную установку нужно совершать по схожей системе. Руководство по ремонту содержит полное описание этого процесса. Короткий конец рессоры обращают вперед при полном выпрямлении.

Рессора должна войти передним краем в кронштейн, а задним в конец серьги. К переднему концу прикручивают 2 конические шайбы и 1 плоскую. В завершение болты скрепляют гайками у кронштейна и серьги рессоры. В случае крайней необходимости на Газель можно временно установить рессору от автомобилей Волга и УАЗ. Делают это на максимально короткий срок, пока не будет произведен полноценный ремонт. Поломки ходовых частей Газели происходят, если эксплуатация средства проводится не по правилам. Во избежание повреждений следует соблюдать простые, но важные правила:
- Не подвергать автомобиль перегрузкам и соблюдать допустимый вес.
- Соблюдать аккуратность в процессе вождения при перевозке грузов.
- Надежно прикреплять тяжелый груз веревками и ремнями.
Модификации «ГАЗ-330232»
Существует несколько модификаций «Газель ГАЗ-330232», а именно:
- «ГАЗ-330232-288» – длина грузовой платформы 3.2м, инжекторный двигатель «УМЗ-4216»;
- «ГАЗ-330232-388» – длина грузовой платформы 3.2м, дизельный двигатель «Камминз»;
- «ГАЗ-330232-408» – длина грузовой платформы 3.2м, инжекторный двигатель «ЗМЗ-40524»;
- «ГАЗ-330232-288» – длина грузовой платформы 4.2м, инжекторный двигатель «УМЗ-4216»;
- «ГАЗ-330232-388» – длина грузовой платформы 4.2м, дизельный двигатель «Камминз»;
- «ГАЗ-330232-408» – длина грузовой платформы 4.2м, инжекторный двигатель «ЗМЗ-40524».
Все версии комплектуются тентом и, начиная с 2006 года, – гидроусилителем руля (ГУР). На шасси любых модификаций «ГАЗ-330232», по желанию заказчика, успешно устанавливаются и фургоны. Размеры которых могут варьироваться, опять же – по желанию заказчика, но в пределах допустимых норм. Максимальная длина такого фургона составляет 4,1 м, а высота — 2,35 м. Максимальный объём фургона составляет 17,5 кубометров.
Сами фургоны обычно изготавливают из листов плакированного металла, крепящихся на прочный сварной металлический каркас. Покрытие пластиком обеспечивает хорошую защиту от коррозии и увеличивает срок службы. Пол покрывается листом оцинкованного металла, обшивается рифлёным алюминием или транспортной фанерой. Сзади фургона крепятся распашные ворота.
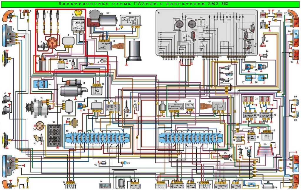
Электросхема Газель 3302 двигатель 402 карбюратор

В1 – датчик указателя давления масла; В2 – датчик сигнализатора аварийного давления масла; В7 – датчик указателя температуры охлаждающей жидкости; В8 – датчик перегрева двигателя; В12 – датчик указателя уровня топлива; В20 – термовыключатель вентилятора системы охлаждения; В46 – датчик спидометра; В67 – датчик уровня тормозной жидкости; В68 – датчик-распределитель; В93 – датчик контрольной лампы воздушной заслонки карбюратора; D4 – блок управления ЭПХХ; Е1, Е2 – левая и правая фары; Е3, Е4 – левая и правая противотуманные фары; Е7, Е8 – левый и правый указатели поворота; Е9, Е10 – левый и правый боковые повторители поворота; Е16 – плафон освещения салона; Е27, Е28 – левый и правый задние фонари; Е30, Е72 – подсветка номерного знака; Е35 – освещение моторного отсека; Е59 – прикуриватель; Е61 – освещение багажника; Е71 – освещение вещевого ящика; Е80 – дополнительный стоп-сигнал; Е81, Е82 – задний фонарь в крышке багажника; F1-F4 – свечи зажигания; F41 – блок предохранителей левый; F42 – блок предохранителей правый; F43 – блок предохранителей в моторном отсеке; G1 – генератор; G2 – аккумуляторная батарея; Н1, Н2 – звуковые сигналы; Н7 – индикатор аварийного давления масла; Н8 – индикатор перегрева; Н16 – индикатор правого поворота; Н17 – индикатор левого поворота; Н19 – индикатор резерва топлива; Н20 – индикатор дальнего света фар; Н30 – индикатор включенного стояночного тормоза; Н54 – индикатор неисправности генератора; Н56 – индикатор падения уровня тормозной жидкости; Н62, Н63 – лампы габаритного освещения передние; Н64, Н65 – лампы фар; Н66–Н69 – лампы подсветки; Н70, Н71 – задние противотуманные фонари; Н72, Н73 – фонари заднего хода; Н74, Н75 – стоп-сигналы; Н76, Н77 – лампы габаритного освещения задние; Н78, Н79 – задние указатели поворота; Н80 – индикатор габаритного света; Н81 – контрольная лампа-дублер; Н92 – контрольная лампа воздушной заслонки карбюратора; Н97 – индикатор обогрева сидений; К1 – реле стартера; К3 – реле стеклоочистителя; К7 – реле звукового сигнала; К12 – реле указателей поворота; К13 – реле индикатора стояночного тормоза; К20 – реле противотуманных фар;
К36 – реле электродвигателя вентилятора системы охлаждения; К40 – реле фар; К42 – реле обогрева заднего стекла; К54 – реле обогрева сидений; М1 – стартер; М2 – электродвигатель вентилятора отопителя; М3 – электродвигатель вентилятора охлаждения двигателя; М4 – стеклоочиститель; М5 – насос стеклоомывателя; М19 – привод антенны; Р1 – спидометр; Р2 – комбинация приборов; Р3 – тахометр; Р5 – вольтметр; Р6 – указатель температуры охлаждающей жидкости; Р7 – указатель давления масла; Р8 – указатель уровня топлива; R1– R4 – помехоподавительные резисторы; R12 – резистор вентилятора отопителя; R14 – нагревательный элемент заднего стекла; R17, R18 – обогреватели сидений; R25, R26 – обогреватели жиклеров омывателя стекла; S1 – выключатель зажигания; S5 – выключатель аварийной сигнализации; S6 – переключатель вентилятора отопителя; S9 – переключатель указателей поворота; S12 – переключатель стеклоочистителя; S18 – выключатель противотуманных фонарей; S19 – выключатель противотуманных фар; S29 – выключатель фонаря заднего хода; S30 – выключатель стоп-сигналов; S36 – выключатель звукового сигнала; S39 – центральный переключатель освещения; S52 – выключатель стояночного тормоза; S54 – выключатель проверки исправности ламп индикаторов; S61 – выключатель обогрева заднего стекла; S63 – переключатель антенны; S70, S71 – дверные выключатели; S72 – выключатель системы ЭПХХ; S77 – выключатель освещения вещевого ящика; S91, S92 – выключатели обогрева сидений; S109 – выключатель подогрева жиклеров омывателя; Т1 – катушка зажигания; V1 – регулятор напряжения; V2 – коммутатор системы зажигания; V3 – электромагнитный клапан ЭПХХ; U2 – магнитола; Х3 – розетка переносной лампы.
Технические характеристики
ГАЗ-322173 оснащается только одним бензиновым двигателем (на 2705 ставились и другие моторы). Под капотом находится четырехцилиндровый 2,5-литровый агрегат от Заволжского моторного завода. Это 405-й мотор. Он является усовершенствованной версией 406-го карбюраторного двигателя. У 405-го предусмотрен распределенный впрыск топлива, он имеет лучшие технические характеристики. Так, его мощность составляет 133 лошадиные силы, а крутящий момент – 214 Нм. Отзывы владельцев говорят, что этот мотор «верховой». Чтобы получить достаточную тягу, его приходится выкручивать до 4 тысяч оборотов. Именно при этом раскрывается весь крутящий момент данного агрегата.

Какой имеет ГАЗ-322173 расход топлива? Машина потребляет в городе около 17 литров на 100 км. Поэтому многие устанавливают газобаллонное оборудование. Среди распространенных проблем ГАЗ-322173 — риск перегрева двигателя и высокий расход масла. Это связано с использованием вентилятора охлаждения, который не подходит по диаметру.
Коробка передач на ГАЗ-322173 пятиступенчатая, механическая. Ресурс у пассажирской модели немного больше, чем у грузовой. Передачи включаются достаточно четко. В целом коробка нареканий не вызывает. В плане обслуживания, КПП нуждается только в замене масла. Его нужно менять каждые 90 тысяч километров.
Как определить неисправность?
При появлении неисправностей в работе оборудования в первую очередь нужно проверить целостность предохранительных устройств. Если в схеме проводки происходит замыкание или скачок напряжения, предохранительные элементы первые выходят из строя, защищая основные устройства и электрооборудование, подключенное к определенной цепи. Так как визуальная проверка далеко не всегда эффективна, поиск неполадки следует осуществлять при помощи тестера — мультиметра.
Процедура диагностики заключается в извлечении предохранителей из посадочных мест и дальнейшей проверке гнезд. Если вы выявили вышедший из строя предохранитель, то это не значит, что проверку можно завершать, поскольку замыкание может произойти одновременной в нескольких цепях (автор видео — Denis Legostaev).
Если в проводке авто с карбюраторным или инжекторным двигателем произошло короткое замыкание, то нужно заняться диагностикой состояния цепей. Разумеется, если все предохранители оказались целыми. Перед диагностикой следует отключить массу, непосредственно для проверки понадобится тестер или контрольная лампочка. При использовании лампы один из ее контактов следует подключить к цоколю, а другой — к центральному контакту.
Сама проверка происходит так:
- сначала ключ в замке зажигания следует выставить в положение I;
- затем к контактам в гнездах предохранителей нужно по очередь подключить щупы тестера или лампы;
- в том случае, если лампа не горит, это свидетельствует о том, что на проверяемом участке цепи нет замыканий, если же она загорается, то замыкание было обнаружено.
Еще один немаловажный момент — это диагностика целостности электроцепей. В данном случае принцип поиска довольно простой — для диагностики вам потребуется тот же тестер (подойдет вольтметр или омметр) либо лампа с проводами. Вам необходимо будет подсоединить один из контактов пробника к кузову транспортного средства, а вторым контактом произвести замер питания в соединительных местах между собой и оборудованием.
Лучше всего начинать с середины электроцепи и сначала проверять легкодоступные места. Кроме того, для диагностики обрыва следует понимать, что чаще всего повреждение цепи происходит в местах сгиба проводки. Причем как показывает практика, в жгутах провода очень редко повреждаются.
Еще одна поломка в электроцепи — это плохой контакт в местах соединений, поиск такой неисправности лучше всего осуществлять с использованием тестера — вольтметра.
Есть два метода диагностики:
- Один щуп тестера следует подключить к кузову автомобиля, а второй к выводу соединения, измерение напряжения осуществляется в двух сторон. Учтите, что при этом падение напряжения должно составить не больше 0.5 вольт.
- Следующий метод — подключите один проводок с контактом на одном конце штекера, а второй — к контакту на другой стороне данного штекера. В том случае, если тестер покажет более 0.5 вольт, это говорит о том, что контакты на штекере следует прочистить (автор видео — канал МЗС TV).
Схема электропроводки Газель 402 двигатель замена своими руками
На «Волгу» и «Газель» ставился двигатель ЗМЗ 402.
Для этого варианта автомобилей применялся генератор типа 16 КЗАТЭ или 19 АТЭ1 (Элтра)
Эти генераторы были полностью взаимозаменяемы. По конструкции были идентичны и позволяли взаимное использование деталей для ремонта.
Для двигателей «Волги» генераторы комплектовались двухрядным шкивом, для «Газелей» однорядным. Для автомобилей производства первой половины 90х годов использовался вывод переменного напряжения с фазы генератора для работы тахометра. В последующих моделях тахометр получал сигнал от системы зажигания, и вывод фазы генератора стал не нужен, если на генераторе он есть, то его просто не подключают.
Генератор имеет традиционную схему. Обмотка, ротор, диодный мост, щеточный узел. Регулятор напряжения типа 13.3702 (131.3702) стоит отдельно и соединяется с генератором проводами.
Замена проводки на автомобиле Газель
Причины, вызывающие необходимость замены электрической проводки по схеме в автомобилях Газель, заключаются не только в связи с переборкой силового агрегата, но и:
- Вследствие естественного износа проводов;
- Расслоения изоляции из-за естественного старения;
- Механических повреждений (перегибы, задиры);
- Коротких замыканий в той или иной электроцепи;
- Окисления контактов и разъемов.
Дополнительные материалы для замены
Помимо покупки новой электропроводки, соответствующие используемому мотору, также подлежат замене:
- Высоковольтные провода;
- Электронный коммутатор (в поздних версиях моторов серии ЗМЗ-402);
- Катушка зажигания;
- Реле уровня заряда АКБ;
- Контактная группа блока предохранителей;
- Замок зажигания.
Места, требующие монтажных работ
Укладка жгута проводов не является сложным делом, тем более, что места их закрепления на раме предусмотрены изначально (желоба, технологические отверстия и т.п.).

Салон Газели с разобранной приборной панелью
Однако, по сложности, работы по замене подразделяются на зоны ответственности:
- Подкапотное пространство;
- Салон автомобиля;
- Задняя часть кузова.
Наиболее простой в плане подключения является задняя часть автомобиля, где требуется лишь закрепить жгут и подключить задние фонари и датчик уровня топлива в бензобаке. Более сложными являются салон и подкапотное пространство.
Схема электропроводки Газель 402 двигатель: замена своими руками
Ставшая незаменимым транспортным средством Газель с 402-м мотором, с годами все же требует к себе внимания.
Электропроводка не значится среди подлежащих плановой замене деталей, однако электрическая схема довольно часто требуется при осуществлении ремонтных работ в подкапотном пространстве.

Оснащенный карбюраторным двигателем ЗМЗ-402, автомобиль успешно вырабатывает свой моторесурс, и когда приходит время капитального ремонта, многие владельцы задумываются не только о восстановлении, но и о перенастройке его работы.
А поскольку карбюраторные версии силовых агрегатов канули в прошлое, то остро стоит вопрос о перспективах использования восстановленного мотора.
Причины поломки
Если вы являетесь владельцем автомобиля Газель, то схема электрической цепи вам в любом случае пригодится. Как минимум для того, чтобы при необходимости можно было обнаружить те или иные поломки, вызванные в результате использования низкокачественного горючего.
Причиной неработоспособности электроприборов могут служить экстремальные климатические условия:
- К сложным климатическим условиям относятся суровые холода. При наступлении морозов нагрузки на электрическую схему транспортного средства возрастают, и здесь не играет роли тип мотора — карбюратор или инжектор. Особенно нагрузки на электрооборудование ощутимы во время утреннего пуска мотора.
- Вне зависимости от времени года и типа ДВС с перебоями в функционировании системы впрыска может столкнуться каждый водитель. При использовании низкокачественного бензина или дизеля могут произойти сбои в работе системы зажигания горючей смеси. Чтобы не допустить таких проблем, необходимо использовать качественное топливо.
- Автовладелец Газели может столкнуться с другими видами поломок и неисправностей. Это могут быть замыкания, отслоение контактов на устройствах, появление коррозии. Все эти недостатки вызываются низким качеством сборки или неправильными ремонтом авто.
Схема электропроводки Газель 402 двигатель: замена своими руками
Ставшая незаменимым транспортным средством Газель с 402-м мотором, с годами все же требует к себе внимания.
Электропроводка не значится среди подлежащих плановой замене деталей, однако электрическая схема довольно часто требуется при осуществлении ремонтных работ в подкапотном пространстве.
Родной 402 двигатель для Газели
Оснащенный карбюраторным двигателем ЗМЗ-402, автомобиль успешно вырабатывает свой моторесурс, и когда приходит время капитального ремонта, многие владельцы задумываются не только о восстановлении, но и о перенастройке его работы.
А поскольку карбюраторные версии силовых агрегатов канули в прошлое, то остро стоит вопрос о перспективах использования восстановленного мотора.
Схема электропроводки Газель 402 двигатель: замена своими руками
Ставшая незаменимым транспортным средством Газель с 402-м мотором, с годами все же требует к себе внимания.
Электропроводка не значится среди подлежащих плановой замене деталей, однако электрическая схема довольно часто требуется при осуществлении ремонтных работ в подкапотном пространстве.

Родной 402 двигатель для Газели
Оснащенный карбюраторным двигателем ЗМЗ-402, автомобиль успешно вырабатывает свой моторесурс, и когда приходит время капитального ремонта, многие владельцы задумываются не только о восстановлении, но и о перенастройке его работы.
А поскольку карбюраторные версии силовых агрегатов канули в прошлое, то остро стоит вопрос о перспективах использования восстановленного мотора.
На что обратить внимание
Ниже представлена схема электропроводки Газель — двигатель 402 которой позаимствован у Волги вместе со всеми конструктивными элементами, и об этом забывать не стоит. Выделенный красным контуром фрагмент – зона пристального внимания.

Осматривайте их и при выявлении неполадок:
- трещин на корпусе крышки трамблера;
- свечении вокруг высоковольтных проводов в темноте;
- неустойчивой работе реле зарядки АКБ (аккумулятор «кипит» или постоянно разряжен);
до наступления холодов отправляйтесь в магазин автозапчастей и приобретите новые детали для замены. А предложенная схема проводки Газель 402 двигатель поможет разобраться с их поиском и заменой.
Самые востребованные десятитонные грузовики
Среди российских автомобилей указанной категории хотелось бы выделить самосвал КАМАЗ 45143. При полной массе 19355 кг, эта машина способна перевезти до 10 тонн грунта, песка, щебня или другого сыпучего груза. Следует отметить, что самосвалы – это самая большая группа автомобилей данной марки (около 40 моделей и модификаций, среди которых есть, как классические, так и с откидными бортами), и самая востребованная. В условиях бездорожья хорошо себя зарекомендовал КАМАЗ 43118 011-10 или 13, с колесной формулой 6 х 6 и протектором повышенной проходимости. Есть также 10-тонный КАМАЗ 4355 из серии «Мустанг», с капотной кабиной. Из техники других производителей можно заказать бортовой Урал 532301 0011 или 8-тонный ЗИЛ 433180 ММЗ.

Импортные ТС в сегменте грузоперевозок до 10 тонн представлены большим количеством марок и моделей. Из популярных можно назвать МАЗ 5340 (борт), Iveco 190EL28 (фургон), MAN 19 (фургон), MAN TGM 15.280 (тент), Hyundai HD 170 (фургон), ТАТА LPT 1618 (изотермический фургон) и другие.
Грузовые машины, способные «поднять на борт» до 10-и тонн грузов, часто используются не только на внутригородских, но и на междугородних перевозках. В дополнение к традиционной работе по доставке строительных материалов, промышленных товаров и сельхозпродукции, они могут применяться для транспортировки тяжелого оборудования, спецтехники, крупногабаритных конструкций.
Принципиальные различия в устройстве блока предохранителей в зависимости от модели Газели

Так выглядит блок предохранителей нового образца
Конструктивные отличия модификации класса Газелей, исходя из различных систем защиты электрооборудования, можно разделить на следующие основные группы и выделить их особенности. Смотрите в видео как установить новый блок предохранителей.
Автомобили с бензиновым двигателем карбюраторного типа
- Машины выпуска до 2003 года:
- комплектовались модулями электропредохранителей старого образца с предохранителями цилиндрического типа номиналом 8 и 16А;
- управляющие реле установлены отдельно от монтажного блока;
- подкапотный блок (БПР-2) имеет силовые электропредохранители 40А для световой цепи и 60А для общего плюса.
- Модели 2003-2010 года выпуска:
- устанавливались блоки нового образца с пластиковыми предохранителями с порогом защиты 5, 10, 15, 20 и 25А в зависимости от оборудования;
- реле управления также расположены независимо от блока;
- силовой предохраняющий модуль может быть различным:
- БПР-2 с защитой в 90А для световой и генераторной цепи и 60А для общего плюса.
- БПР-4 для автомобилей с предустановленной антиблокировочной системой и дополнительными электропредохранителями на 25 и 40А.
Автомобили с бензиновым двигателем инжекторного типа
- Основные предохранители пластикового типа 25, 10, 15, 20 и 5А для различных цепей объединены в единый монтажный модуль, расположенный в кабине.
- Основные управляющие реле входят в состав блока.

Так выглядят управляющие реле для автомобиля Газель

Процесс установки защитных реле
Автомобили с дизельным двигателем
- Установлен основной предохраняющий модуль, аналогичный инжекторным автомобилям, с дополнительными электропредохранителями в 5А для системы управления двигателем.
- Измененный подкапотный блок, в том числе защищаемые цепи:

Схематическое устройство системы подогрева воздуха в газели

Схема с размерами автомобильного предохранителя
Разнообразие заводских комплектаций автомобилей Газель, как по предустановленному двигателю, так и по дополнительному оборудованию, множественность их комбинаций приводит, в свою очередь, к различиям в системе электрозащиты и устройстве монтажного блока.
Таким образом, блок предохранителей Газель является обязательным элементом защитного механизма электрооборудования автомобиля и реализован с учетом конструктивных особенностей конкретной модификации автомобиля.

Большегрузные автомобили

Бльшегрузный транспорт — это все те грузовики, которые берут на борт от пяти до пятнадцати тонн полезного груза. Длина их колеблется от пяти до восьми метров, высота достигает трёх, а ширина двух с половиной метров.
Благодаря такому увеличению габаритов ёмкость кузова может составлять до шестидесяти кубических метров. Разнообразие параметров обусловлено тем, что варианты отсеков более многообразны, чем в более мелких автомобилях.
Подклассы по грузоподъемности
Внутри категории большегрузных автомобилей принято выделять три подкатегории. К первой из них относятся грузовики, перевозящие около пяти тонн при объёме в тридцать шесть кубометров (который обычно вмещает до десяти тонн).
Ко второй – семитоные автомашины с объёмом кузова в 36 – 56 кубометров. Наконец, наиболее тяжёлые и грузоподъемные машины, кузов которых достигает восьми метров в длину и превышает пятьдесят кубических метров в объёме.
Спальники и подвеска
Большегрузные машины очень широко применяются в междугородном и международном сообщении. Столь длительные рейсы, само собой, были бы невозможны без оборудования кабин спальными местами.
Почти всегда присутствует и место для экспедиторов. Погрузка может осуществляться как сверху, так и сбоку. Пневматическая подвеска, которой оборудуются некоторые импортные большегрузы, повышает сохранность хрупких товаров и делает ход плавнее.
Термофургон
«Термофургон» может от десяти до двадцати часов поддерживать неизменной температуру погруженных товаров, при условии, что уличный воздух не холоднее минус десяти и не горячее плюс двадцати градусов.
Если используется подогрев отсека, это позволяет сохранять внутреннюю температуру дольше и при сильном морозе. Двери оборудуются уплотнителем, предусматривается вентиляция. Чаще всего термофургоны оснащаются вспомогательными дверями, упрощающими процесс загрузки и выгрузки.
Полуприцеп
Двадцатифутовые «морские» контейнеры применяются, в основном, в мультимодальных перевозках.
«Евротент», еврофура или полуприцеп – разные наименования грузовика, в который ставится поперёк пара стодвадцатисантиметровых европоддона.
Есть полуприцепы стандартной, меньшей или большей размерности. Благодаря возможности убирать тент, погрузка и отгрузка может производиться сбоку/сверху, а также допускается превращение грузовика в открытую площадку.
Рефрижератор
Рефрижераторный полуприцеп – по сути, большой холодильник на колёсах. Температура внутри не зависит от того, каковы погодные условия. Глубокой заморозки, правда, обеспечить рефрижератор не может. Зато все современные автофургоны оснащаются средствами защиты от скачков температуры при авариях. Тепловой режим перевозки груза может быть зафиксирован на особые носители информации.
Рефрижераторные полуприцепы нужны в основном для доставки легко портящихся продуктов или иных грузов.Такая классификация грузовых транспортных средств не идеальна и не полна, есть еще одно разделение по видам.
Монтаж проводки на автомобиле Газель
Проводка на Газель 402 подразделяется на указанные зоны.
Разложив на свободном месте новый комплект проводов, сразу будет заметна его ориентация:
- Наиболее длинный и тонкий жгут предназначен для задней части;
- Более короткий – для салона;
- Наибольший по количеству проводов и разъемов – для подкапотного пространства.
Начало работ по замене проводки осуществляется из кабины:
- Закрепляем жгут в салоне;
- Протаскиваем второй жгут проводов под капот и закрепляем;
- Протаскиваем задний жгут по раме, соединяем разъемы, ориентируясь по расцветке проводов;

Электрическая часть в моторном отсеке
В подкапотном пространстве:
- Разделяем жгут на правую и левую стороны, ориентируясь по длине и разъемам;
- Подключаем коммутатор;
- Подаем провод на генератор;
- Соединяем регулятор напряжения;
- Подключаем катушку зажигания;
- Соединяем клеммы стеклоочистителя, реле поворотов;
Совет: проводка Газель 402 имеет разделения на цвета, которые соответствуют цветам, изображенным на схеме, как и на электропроводке Газели Бизнес.
- Подсоединяем разъем к блоку предохранителей;
- Подаем провод на отопитель;
- Соединяем на рулевой колонке переключатель света;
- На панели приборов запитываем центральный переключатель головного света, кнопку аварийки, подсоединяем приборы.
Выводы: используя заводскую схему электропроводки Газели, независимо от модели — 406 или другой, можно самостоятельно заменить старые провода, придерживаясь условных и цветовых обозначений.








































